SW-11 magnetic switch is designed as an external switching accessory for the Flap-11 magnetic level indicator series. It helps users add automatic control, remote signaling, and liquid level alarm functions to local level indication systems. As a result, it is a practical choice for industrial applications that need both visible level indication and control output.
The switch works together with the magnetic float inside the magnetic level indicator. As the liquid level rises or falls, the float moves with it. When the permanent magnet inside the float approaches the switch, it activates the reed switch and changes the signal status. The control system then receives this signal and uses it for alarm, switching, or protection functions.
Reliable Switching for Alarm and Control
SW-11 magnetic switch can support different control needs. It is available in SPST and SPDT versions, so users can choose a suitable output type for their control system. It can be used for overflow alarm, dry-run protection, and other level alarm functions in industrial liquid handling systems.
The device uses an imported high-quality high-power reed switch as its core component. This helps improve switching reliability and long service life. Because the switching action depends on magnetic movement rather than direct contact with the process liquid, the system remains simple and dependable during long-term operation.
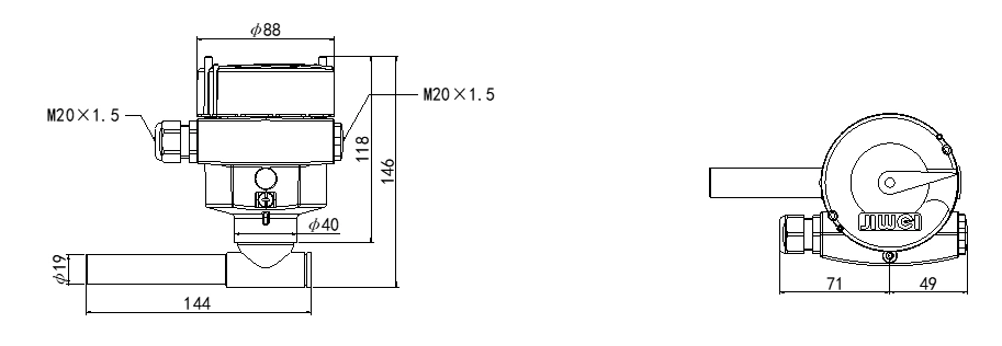
Durable Structure for Industrial and Hazardous Areas
The electronics housing is made of aluminum alloy and provides generous internal space for easier wiring. The chamber is made of 304 stainless steel, which helps improve corrosion resistance and durability in industrial field conditions. In addition, the device supports IP66/IP67 protection, so it can perform reliably in wet, dusty, and outdoor environments.
SW-11 magnetic switch also supports SIL2 / SIL3 functional safety requirements. It is certified for both intrinsically safe and flameproof explosion protection. Therefore, it is suitable for industrial plants and hazardous-area applications that require safe and dependable switching performance.
Typical Applications
This magnetic switch is widely used with Flap-11 magnetic level indicators in tanks, process vessels, utility systems, and industrial liquid storage applications. It is especially useful when users need automatic level alarm, dry-run protection, overflow warning, or remote control functions together with local level indication.
For other magnetic level accessories, see the [SW-21 Compact Magnetic Switch] and the [Reed-11 / Reed-21S Remote Transmitter]. The switch is also designed to work with the [Flap-11 magnetic level indicator] series.




