Magnetic Level Indicator Remote Transmitter for Remote Monitoring
The Reed-11 / Reed-21S works with the Flap-11 Magnetic Level Indicator series. It sends level data from the tank to a remote system, so operators can monitor and control the process from a central location. This makes it a practical choice for plants that need both local indication and remote signal transmission.
As the liquid level rises or falls, the magnetic float inside the chamber moves with it. The float activates the nearby reed switches, which changes the circuit resistance. The transmitter then converts that change into a stable 4โ20 mA output signal. This signal gives the control system accurate liquid level data for continuous monitoring.
Jiwei offers two accuracy options for this magnetic level indicator remote transmitter: ยฑ5 mm and ยฑ10 mm. The higher-accuracy version uses more reed switches and gives finer level resolution. The unit also supports 4โ20 mA + HART output for applications that need advanced communication and process integration.
Durable Design for Industrial Use
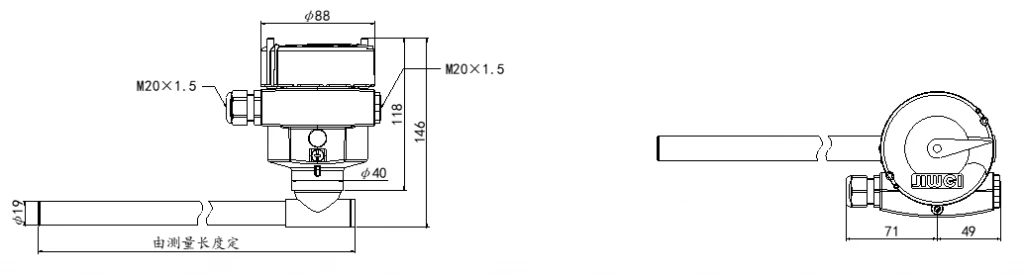
The external tube and chamber use 304 stainless steel, which improves corrosion resistance and field reliability. The transmitter also uses an imported microprocessor and high-performance signal-processing components to keep output stable over long operating periods.
This model supports SIL2 / SIL3 functional safety requirements. It also carries intrinsically safe and flameproof explosion-proof certifications. With IP66/IP67 protection, it performs well in wet, dusty, and demanding industrial environments.
Typical Applications
This magnetic level indicator remote transmitter is suitable for storage tanks, process vessels, chemical tanks, utility systems, and other installations that use a magnetic level indicator with remote monitoring. It is a good option for plants that need real-time level output, centralized control, and dependable long-term operation.




