JWrada-35 radar level meter is designed for industrial applications that need very long measuring distance, stable output, and reliable performance in difficult conditions. It works with liquids, powders, and solid materials, so it suits both tanks and silos. Because it uses non-contact radar measurement, it helps reduce wear, contamination, and maintenance during long-term operation.
This model uses 80 GHz millimeter-wave FMCW radar technology and a 76 mm antenna lens. It supports a measuring range of up to 150 meters. Therefore, it is a strong choice for large storage tanks, silos, process vessels, and other industrial systems where long-distance level monitoring is important.
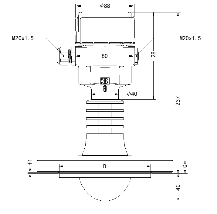
80 GHz Radar Level Meter for Harsh Process Conditions
The instrument handles complex process conditions well. It performs reliably in steam, dust, foam, agitation, and weak-reflection environments. Its intelligent echo-processing system filters false echoes, separates multiple signals, and tracks the true target level. As a result, the device keeps stable measurement even when process conditions change.
The device also supports HART communication and built-in Bluetooth 5.0. Users can complete local wireless setup and monitoring through the Jiwei Smart Control mini-program. It also supports cloud-based remote access. This helps reduce field work and improves maintenance efficiency.
Explosion-Proof Radar Level Meter for High-Temperature and Corrosive Applications
This radar level meter is built for hazardous industrial environments. It supports gas and dust explosion-proof requirements, so it suits process sites that need safe and reliable level measurement. The device can also work in applications with process temperatures up to 220ยฐC. That makes it suitable for demanding thermal processes and high-temperature vessels.
Its corrosion-resistant sealing design also helps it perform well in aggressive media such as acids, alkalis, hot oil, solvents, and hazardous liquids. Therefore, it is a practical solution for industries that need long-range measurement together with strong resistance to heat, corrosion, and difficult operating conditions.
Typical Applications
JWrada-35 radar level meter is widely used in large storage tanks, chemical and petrochemical plants, high-temperature process vessels, boilers, heating systems, powder storage systems, and applications involving foamy liquids or corrosive substances. It is especially useful in industrial sites that need stable long-range measurement in hazardous and demanding environments.
For other radar level solutions, see the [JWrada-34 Radar Level Meter] and the [Uson-21 Ex Ultrasonic Level Transmitter]. The device also supports [HART communication] for easier integration into industrial control systems.




