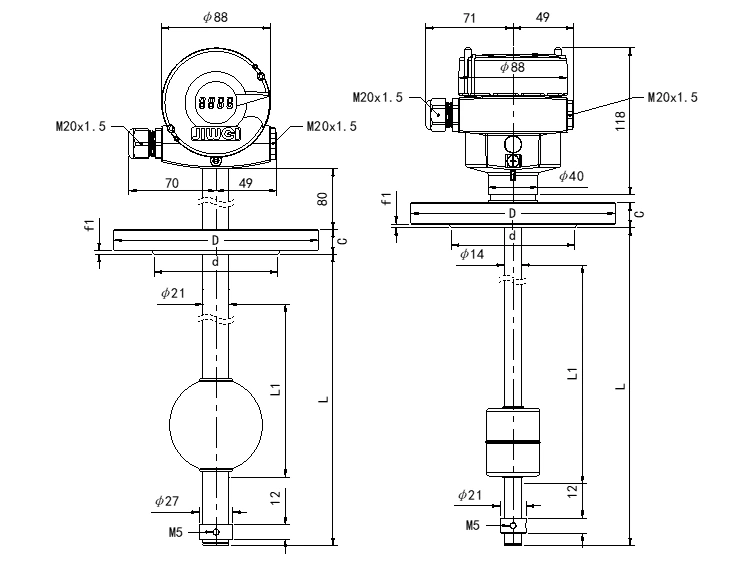
Float-11P coated float level indicator is designed for continuous liquid level measurement in applications that involve corrosive media. It works well in tanks, vessels, and process systems where standard metal structures may not offer enough chemical resistance. Because the guide tube and wetted structure use a special coating design, the instrument provides smoother float movement and better protection in aggressive liquid environments.
The device works on the Archimedes buoyancy principle. As the liquid level rises or falls, the float moves with it. A permanent magnet inside the float actuates the reed switches in the chamber. This changes the resistance value in the sensor. The instrument then converts that change into a standard 4โ20 mA DC output signal for remote indication, monitoring, and control.
Smooth Float Movement with Strong Corrosion Resistance
The Float-11P coated float level indicator uses a special coating process to help the float move smoothly along the guide tube. This improves measurement stability and helps maintain reliable output during long-term use. The ECTFE or PTFE coating also improves corrosion resistance, so the instrument can handle a wide variety of aggressive liquids in industrial process applications.
Jiwei also offers different float designs for liquids with different densities. As a result, users can select a suitable float to improve measurement accuracy for specific media. The instrument uses high-quality plastic reed switches as key internal components, which helps improve endurance and long-term reliability.
Durable Design for Industrial Monitoring and Control
The instrument can be equipped with a bright LED display for easy local reading. The display can be arranged in either horizontal or vertical orientation, which gives more flexibility during installation. Its sealing design supports IP66/IP67 protection, which helps improve reliability in wet and demanding field environments.
For hazardous-area applications, the device is available with flameproof enclosure and intrinsic safety approvals. Therefore, it can support industrial projects that require both continuous liquid level measurement and explosion-proof certification. The coated construction also makes it especially useful in applications where corrosion protection is a key requirement.
Typical Applications
This coated float level indicator is widely used in acid and alkali storage tanks, biopharmaceutical reaction tanks, chemical and petrochemical systems, natural gas facilities, offshore applications, shipbuilding, machinery manufacturing, and power generation systems. It is especially useful in corrosive liquid processes that need stable 4โ20 mA output and reliable long-term level measurement.
For other continuous level solutions, see the [Float-11A Standard Float Level Indicator] and the [Flap-11Px Lined Magnetic Level Indicator]. The device also provides a standard [4โ20 mA output] for easier integration into monitoring and control systems.




